光照傳感器
更新時間:2025-12-05
產品型號:WX-B1
產品價格:電議
產品品牌:萬象環境
銷售電話:15666889815
銷售QQ:1950883583
公司地址:山東省濰坊高新區新城街道玉清社區光電路155號濰坊高新區光電產業加速器(一期)1號樓301
更新時間:2025-12-05
產品型號:WX-B1
產品價格:電議
產品品牌:萬象環境
一、產品簡介
光照傳感器又稱照度傳感器,光照度傳感器,光照傳感器用于檢測光照強度,簡稱照度,工作原理是將光照強度值轉為電壓值,廣泛應用于農業、林業、溫室大棚培育、養殖、建筑的光照測量及研究等。
山東萬象環境科技有限公司作為專業研發生產氣象傳感器的企業,一直致力于氣象傳感器和氣象環境解決方案推廣應用。具有完整的生產鏈、實力雄厚的技術團隊和全面的營銷團隊,我們研發生產的傳感器已廣泛應用到智慧農業、氣象監測、城市環境監測、風力發電、航海船舶、航空機場、橋梁隧道等領域,客戶遍布全國各地,并取得了良好的社會效益和經濟效益。
二、產品特點
1、抗干擾能力強,具有看門狗電路,自動復位功能,保證系統穩定運行
2、高集成度,無移動部件,零磨損
3、免維護,無需現場校準
4、采用ASA工程塑料室外應用常年不變色
5、產品設計輸出信號標配為RS485通訊接口(MODBUS協議);可選配232、USB、以太網接口,支持數據實時讀取☆
6、可選配無線傳輸模塊,最小傳輸間隔1分鐘
三、技術參數
1、光照:0-20W LUX(5%)
2、功率:0.24W
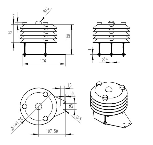
四、產品尺寸圖

五、產品結構圖

降雨監測利器,壓電式雨量傳感器,你不可不知!
2025-07-04光學雨量傳感器采用純正弦紅外光源
2024-06-26超聲波風速風向儀為風力發電提供支持
2024-01-31能見度傳感器——提升交通安全與效率的關鍵
2024-03-01激光雪深傳感器有什么作用?
2024-11-0630KM天氣現象儀,從迷霧到數據:超視距氣象監測的科技突破
2025-11-05遙感路面狀況傳感器全天候測量路面積水、積雪、結冰厚度等參數
2024-10-28大型光伏環境監測儀助力綠色能源發展
2024-05-22負氧離子傳感器在環境監測中的作用
2024-05-09雷達雨量傳感器——一款多樣化和精確化的雷達雨量計
2024-03-13