PM2.5 PM10傳感器
更新時間:2025-12-05
產品型號:WX-B2
產品價格:電議
產品品牌:萬象環境
銷售電話:15666889815
銷售QQ:1950883583
公司地址:山東省濰坊高新區新城街道玉清社區光電路155號濰坊高新區光電產業加速器(一期)1號樓301
更新時間:2025-12-05
產品型號:WX-B2
產品價格:電議
產品品牌:萬象環境
一、PM2.5 PM10傳感器產品簡介
PM2.5 PM10傳感器又稱PM2.5/PM10二合一傳感器,揚塵傳感器,PM2.5 PM10傳感器是基于激光散射原理,對空氣中的顆粒物濃度進行實時監測,適用于疾控中心、衛生監督、環境檢測,商場等公共場所可吸入粉塵的自動化檢測。
山東萬象環境科技有限公司作為專業研發生產氣象傳感器的企業,一直致力于氣象傳感器和氣象環境解決方案推廣應用。具有完整的生產鏈、實力雄厚的技術團隊和全面的營銷團隊,我們研發生產的傳感器已廣泛應用到智慧農業、氣象監測、城市環境監測、風力發電、航海船舶、航空機場、橋梁隧道等領域,客戶遍布全國各地,并取得了良好的社會效益和經濟效益。
二、產品特點
1、抗干擾能力強,具有看門狗電路,自動復位功能,保證系統穩定運行
2、高集成度,無移動部件,零磨損
3、免維護,無需現場校準
4、采用ASA工程塑料室外應用常年不變色
5、產品設計輸出信號標配為RS485通訊接口(MODBUS協議);可選配232、USB、以太網接口,支持數據實時讀取☆
6、可選配無線傳輸模塊,最小傳輸間隔1分鐘
三、技術參數
1、PM2.5:0-1000ug/m3(±10%)
2、PM10:0-1000ug/m3(±10%)
3、功率:0.4W
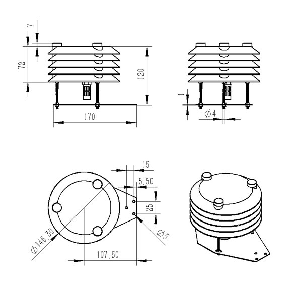
四、產品尺寸圖

五、產品結構圖
